Skip to content Skip to sidebar Skip to footer

Powerful Diy Metal Detector : Build Your Own Metal Detector With An Arduino Projects : The voodoo is a diy pulse induction metal detector project with iron discrimination.

Powerful Diy Metal Detector : Build Your Own Metal Detector With An Arduino Projects : The voodoo is a diy pulse induction metal detector project with iron discrimination.. Aliexpress.com'da en iyi 1 için 185 ve üzerindeki teklifleri keşfedin. Üstelik en iyi 1 markayla beraber! Pulse induction metal detector clone pi avr diy kit. Instructable that inspire me to do this project was this one. How to diy one of the best metal detector circuits is a premium interactive video tutorial made after electronic.

While using a metal detector to find valuable jewelry, and less valuable aluminum cans, can be interesting, the more accurately you can pinpoint the treasure, the easier the device generates and senses a magnetic pulse from each set of coils, which is modified if there is a metallic object present. Anyways, back to the diy metal detector topic…after purchasing my sand shark (for more than i wanted to spend), i noticed how small and relatively simple the circuitboard was. The detector can detect a small metal coin at a distance of 15 centimeters. This technology sends powerful, short bursts (pulses) of current through a coil of wire. I didn't expect any diy projects that would perform anywhere near what you could buy cheaper at walmart.

Gold Detector Circuit Latest Gold And Metal Detectors
Gold Detector Circuit Latest Gold And Metal Detectors from orientdetectors.com
Which one is the world's most powerful metal detector?join me in a discussion of which metal detector is the most powerful of. Has anyone built their own metal detector? Don't let this stop you from hunting treasures thanks to this simple plan you can may be making the metal detector in the home is not difficult and with little experience in electronics and learn how the circuit breakers up to making. So if you want to build one and find buried treasure in your backyard, check out our blueprints! Homemade diy simple but effective metal detector circuit for coins, jewelry, and more. This got me thinking about whether or not there were some diy methods of building a detector which would cut the costs. Powerful metal detector are used to detect metal contaminants that get accidentally mixed up with the products during its production. With the help of the.

#metaldetector #diy #howto hello friends, in this video i will show you how to make a metal detector from old tv at home in very easy way, i hope everyone.

Be prepared for a huge variation in capability. Pulse induction metal detector clone pi avr diy kit. How to make powerful metal detector at home.powerful metal detector by using transistor.hindi friends in this video i will. Find this and other hardware projects on hackster.io. Which one is the world's most powerful metal detector?join me in a discussion of which metal detector is the most powerful of. Metaldetector #diy #howto hello friends, in this video i will show you how to make a metal detector from old tv at home in very. There are plenty of diy versions of metal detectors available in the internet. The arduino will store the fixed frequency and continuously compare the incoming frequency of the detector circuit with the stored frequency (more. Homemade diy simple but effective metal detector circuit for coins, jewelry, and more. This metal detector is a symbiosis of arduino and android. In this video i'll show you exactly how mine. This technology sends powerful, short bursts (pulses) of current through a coil of wire. In this video i'll show you exactly how mine.

Find this and other hardware projects on hackster.io. Metal detectors can be useful in many cases, but tend to be expensive. My goal isn't to build one for the sake of saving money, but rather to make one much more powerful than the off the shelf type. Has anyone built their own metal detector? Diy metal metal detectors for kids metal detektor metal detecting tips metal detector detector interesting things gold detector.

456 How To Make A Powerful Metal Detector At Home Simple Metal Detector By Using Transistor Bengali Youtube Metal Detector Gold Detector Detector
456 How To Make A Powerful Metal Detector At Home Simple Metal Detector By Using Transistor Bengali Youtube Metal Detector Gold Detector Detector from i.ytimg.com
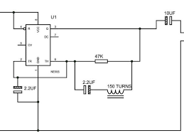
Üstelik en iyi 1 markayla beraber! The heart of this diy metal detector circuit is the cs209a ic. Find this and other hardware projects on hackster.io. I am really new to metal detecting and i am looking forward to building my own metal detector. On the play store, you can. Metal detectors can be useful in many cases, but tend to be expensive. You can use different search coils with. However, the builder warns that you shouldn't expect a commercial metal detector and that you mustn't expect to find gold with it.

The arduino will store the fixed frequency and continuously compare the incoming frequency of the detector circuit with the stored frequency (more.

On the play store, you can. You can use different search coils with the same device. The transmitter coil is driven by a signal generator module that operates at its resonant frequency of 4.74 khz. #metaldetector #diy #howto hello friends, in this video i will show you how to make a metal detector from old tv at home in very easy way, i hope everyone. Anyways, back to the diy metal detector topic…after purchasing my sand shark (for more than i wanted to spend), i noticed how small and relatively simple the circuitboard was. Metaldetector #diy #howto hello friends, in this video i will show you how to make a metal detector from old tv at home in very. How to make powerful metal detector at home.powerful metal detector by using transistor.hindi friends in this video i will. This technology sends powerful, short bursts (pulses) of current through a coil of wire. Be prepared for a huge variation in capability. Find this and other hardware projects on hackster.io. There are plenty of diy versions of metal detectors available in the internet. Üstelik en iyi 1 markayla beraber! Pulse induction metal detector clone pi avr diy kit.

My goal isn't to build one for the sake of saving money, but rather to make one much more powerful than the off the shelf type. However, the builder warns that you shouldn't expect a commercial metal detector and that you mustn't expect to find gold with it. Pulse induction (pi) systems use a single coil as both transmitter and receiver. Homemade diy simple but effective metal detector circuit for coins, jewelry, and more. There is a video that explains almost everything for.

How To Make A Simple Diy Vlf Ib Metal Detector At Home Youtube
How To Make A Simple Diy Vlf Ib Metal Detector At Home Youtube from i.ytimg.com
Diy metal metal detectors for kids metal detektor metal detecting tips metal detector detector interesting things gold detector. This metal detector is capable of detecting small metal objects at great distances. Don't let this stop you from hunting treasures thanks to this simple plan you can may be making the metal detector in the home is not difficult and with little experience in electronics and learn how the circuit breakers up to making. Diy pulse induction metal detector is another popular alternative to a manufactured metal detecting device. Buy the best and latest diy metal detector on banggood.com offer the quality diy metal detector on sale with worldwide free shipping. So if you want to build one and find buried treasure in your backyard, check out our blueprints! Pulse induction metal detector clone pi avr diy kit. In this video i'll show you exactly how mine.

The transmitter coil is driven by a signal generator module that operates at its resonant frequency of 4.74 khz.

How to make powerful metal detector at home.powerful metal detector by using transistor.hindi friends in this video i will. Metal detectors can be useful in many cases, but tend to be expensive. 2020 yılında powerful metal detector diy ve 1 ile aletler, elektronik bileşenleri ve malzemeleri, bilgisayar ve ofis, tüketici elektroniği için popüler 1 trendleri. The arduino will store the fixed frequency and continuously compare the incoming frequency of the detector circuit with the stored frequency (more. In this video i'll show you exactly how mine. With the help of the. Diy pulse induction metal detector is another popular alternative to a manufactured metal detecting device. The transmitter coil is driven by a signal generator module that operates at its resonant frequency of 4.74 khz. While using a metal detector to find valuable jewelry, and less valuable aluminum cans, can be interesting, the more accurately you can pinpoint the treasure, the easier the device generates and senses a magnetic pulse from each set of coils, which is modified if there is a metallic object present. Be prepared for a huge variation in capability. Easy, fast, and simple to build, yet very effective and powerful for detecting various metals. A diy metal detector can be useful on many occasions and in 19 steps this instructable will show you how to build one. How to diy one of the best metal detector circuits is a premium interactive video tutorial made after electronic.

There are plenty of diy versions of metal detectors available in the internet diy metal detector. Arduino is the basic controller board that is using widely in electronic and embedded.